Global study identifies urgent blue carbon priorities in the fight against climate change
A major new international study warns that critical scientific and practical gaps are slowing the use of blue carbon ecosystems (BCEs) in global efforts to tackle climate change.
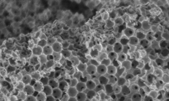
‘Sea creature’ minibot hoovers up oil spills
RMIT University engineers in Australia have built a remote-controlled minibot that hoovers up oil spills using an innovative filtering system inspired by sea urchins.
‘Incredibly resilient’ nylon device creates electricity under tonnes of pressure
RMIT University researchers have developed a flexible nylon-film device that generates electricity from compression and keeps working even after being run over by a car multiple times, opening the door to self-powered sensors on our roads and other electronic devices.
European research lays the groundwork for future stem cell clinical trials
RMIT has contributed to an international consortium exploring how human mesenchymal stem cells could help to repair brain injury in children born preterm.


